保罗·谢勒研究所(PSI)研究人员开发出一种新分析方法,可检测沼气中含量极低的关键杂质,小型沼气厂无需大量投资即可使用,有力促进能源转型。当前,沼气市场呈增长态势,据瑞士联邦能源办公室统计,瑞士去年向天然气管网输送沼气量约为十年前的两倍。因沼气有严格质量标准,对杂质快速可靠检测需求日益增加。

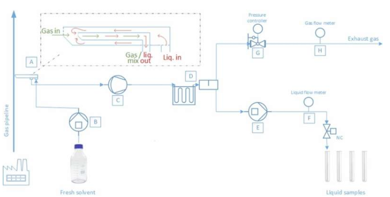
液体淬火取样系统示意图。
PSI能源与环境科学中心研究人员找到解决方案,开发的分析方法能同时检测沼气中最关键的硫化物和硅氧烷两种杂质,相关成果已发表在《能源进展》杂志。瑞士全国有超160座沼气厂利用废弃物等生产沼气,数百座污水处理厂也转化污水污泥为类似沼气的污水气。沼气含多种杂质,浓度极低却危害巨大,如有机硫化合物和硅氧烷,前者是细菌分解含硫蛋白质形成,后者常见于沐浴露,会随污水进入沼气池,对燃料电池是“毒药”,还会在生物甲烷燃烧时生成堵塞燃烧器的二氧化硅。
杂质阻碍生物甲烷在燃料电池应用,干扰沼气浓缩及输送。瑞士对沼气中硫化物和硅氧烷含量有严格限制,可靠分析对沼气系统运行至关重要。阿加瓦尔开发的分析方法可同时检测硅氧烷和有机硫化合物,低至十亿分之十五的痕量。PSI还为小型沼气厂开发实用方案,用移动设备采集沼气样本,溶解在液体中送分析实验室。
该分析方法具普适性,可在全国广泛应用,促进沼气使用。克里斯蒂安·路德维希称这是PSI应用研究为挑战提供切实可行方案的例证。此方法先通过气相色谱仪分离沼气成分,再用“电感耦合等离子体质谱法”记录成分,只记录特定元素,能检测出含量极低的硫和硅等化合物。阿加瓦尔表示,据其所知这是首个能同时测量硫和硅化合物的方法。
特别声明:国家电投官方网站转载其他网站内容,出于传递更多信息而非盈利之目的,同时并不代表赞成其观点或证实其描述,内容仅供参考。版权归原作者所有,若有侵权,请联系我们删除。